Vyrovnávací a akumulační nádrž 60l s izolací, závěsná, Tophea
Kód: THPS0060IZSouvisející produkty
Detailní popis produktu
Akumulační / vyrovnávací nádrž TOPheat THPS0060IZ (60 l) slouží jako hydraulický vyrovnávač a zároveň zásoba topné vody pro stabilní provoz systému. V praxi pomáhá vyrovnat rozdíly průtoků mezi zdrojem tepla a topnými okruhy, zlepšuje stabilitu regulace a snižuje počet startů (typicky u TČ, ale i u kotlů a dalších zdrojů).
Díky závěsnému provedení šetří místo v technické místnosti. Nádrž je vybavena PUR pěnovou izolací a plechovým krytem, čímž se minimalizují tepelné ztráty. Konstrukčně jde o nemaltovanou ocelovou nádobu určenou pro topné systémy. Výhodou je také možnost instalace elektrického topného tělesa se závitem 6/4" (dle zvoleného příslušenství).
Hlavní výhody
-
vyrovnání průtoků a stabilizace hydrauliky soustavy (funkce vyrovnávače)
-
zvýšení objemu topné vody (funkce akumulace)
-
vhodné pro tepelné čerpadlo, kondenzační kotel i více okruhů
-
závěsné provedení = úspora místa
-
kvalitní izolace (PUR pěna) pro nízké ztráty
-
možnost doplnění elektrického topného tělesa 6/4"
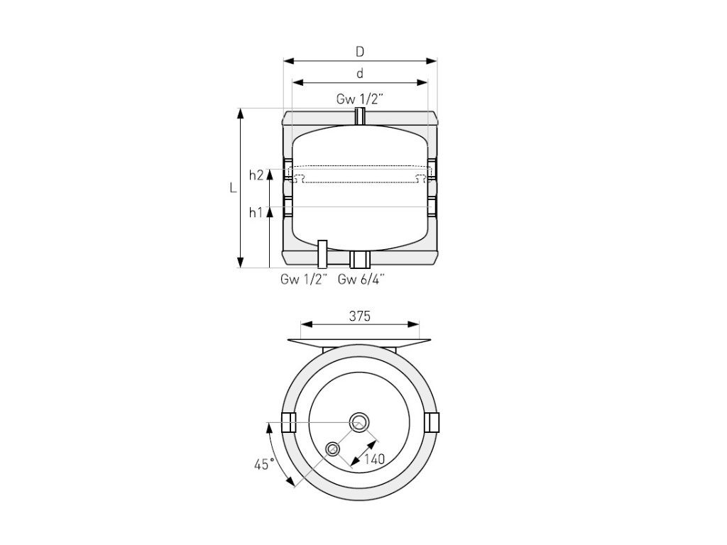
Technické údaje (THPS0060IZ)
-
objem nádoby: 63 l (označení produktu 60 l)
-
izolace: polyuretanová pěna, energetická třída C
-
max. přípustná teplota: 95 °C
-
min. přípustná teplota: 6 °C
-
max. pracovní tlak: 3 bar
-
připojení topné vody: G 6/4"
-
rozměry: výška 680 mm, vnitřní průměr 400 mm, vnější průměr 460 mm
-
hmotnost (prázdná): 30 kg
Doplňkové parametry
| Kategorie: | TEPELNÁ ČERPADLA |
|---|---|
| Hmotnost: | 31 kg |
Buďte první, kdo napíše příspěvek k této položce.

