Vyrovnávací a akumulační nádrž 100l s izolací, závěsná, Tophea
Kód: THPS0100IZSouvisející produkty
Detailní popis produktu
-
Závěsná akumulační / vyrovnávací nádrž TOPheat 100 l s izolací je určená pro topné systémy, kde je potřeba zvýšit vodní objem a zároveň hydraulicky oddělit (vyrovnat) okruh zdroje tepla a okruhy topení. V praxi funguje jako buffer – zlepšuje stabilitu regulace, vyrovnává průtoky, snižuje riziko hluku v soustavě a zejména u tepelných čerpadel pomáhá omezit časté starty kompresoru.
Nádrž je řešena jako ocelová nemaltovaná nádoba s polyuretanovou (PUR) izolací a plechovým opláštěním pro nízké tepelné ztráty. Díky závěsnému provedení šetří místo v technické místnosti. Výhodou je také příprava pro montáž elektrického topného tělesa se závitem 6/4" (dle zvoleného příslušenství), které může sloužit jako dohřev nebo záloha.
Hlavní výhody
-
vyrovnání průtoků mezi zdrojem a topnými okruhy (hydraulický vyrovnávač)
-
zvýšení objemu topné vody (akumulace) a stabilnější provoz
-
vhodné pro tepelné čerpadlo, kotel i soustavy s více okruhy
-
závěsné provedení = úspora místa
-
PUR izolace pro nižší tepelné ztráty
-
možnost instalace el. topného tělesa 6/4"
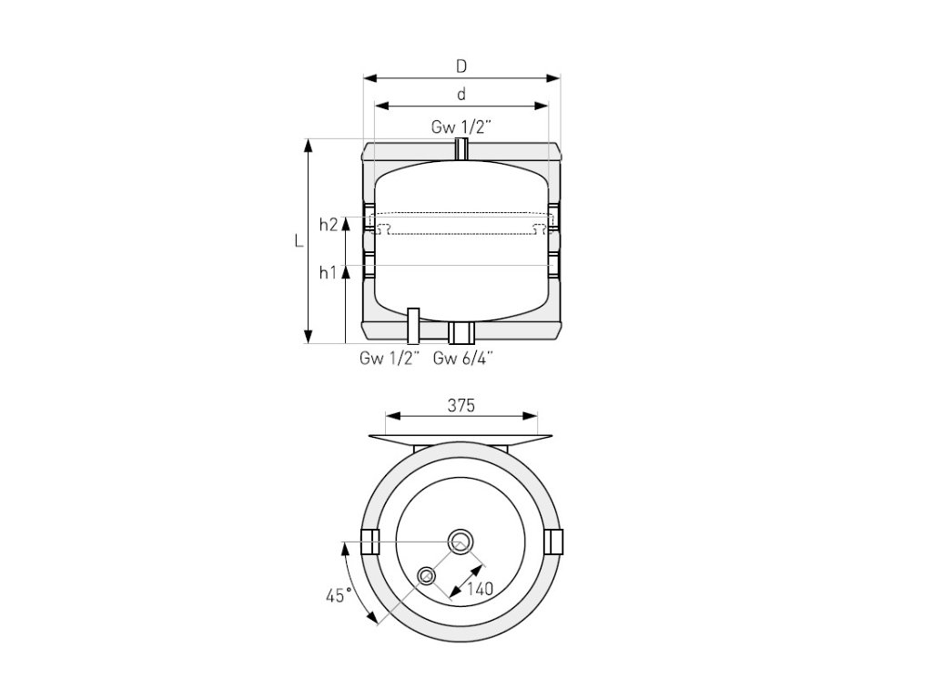
Technické údaje (varianta 100 l / THPS0100IZ)
-
objem nádoby: 106 l
-
izolace: PUR pěna, energetická třída C
-
max. přípustná teplota: 95 °C
-
min. přípustná teplota: 6 °C
-
max. pracovní tlak: 3 bar
-
připojení topné vody: G 6/4"
-
rozměry: výška 1015 mm, vnitřní průměr 400 mm, vnější průměr 460 mm
-
připojovací výšky: h1 175 mm, h2 840 mm
-
hmotnost (prázdná): 39 kg
-
Doplňkové parametry
| Kategorie: | TEPELNÁ ČERPADLA |
|---|---|
| Hmotnost: | 39 kg |
Buďte první, kdo napíše příspěvek k této položce.

